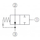
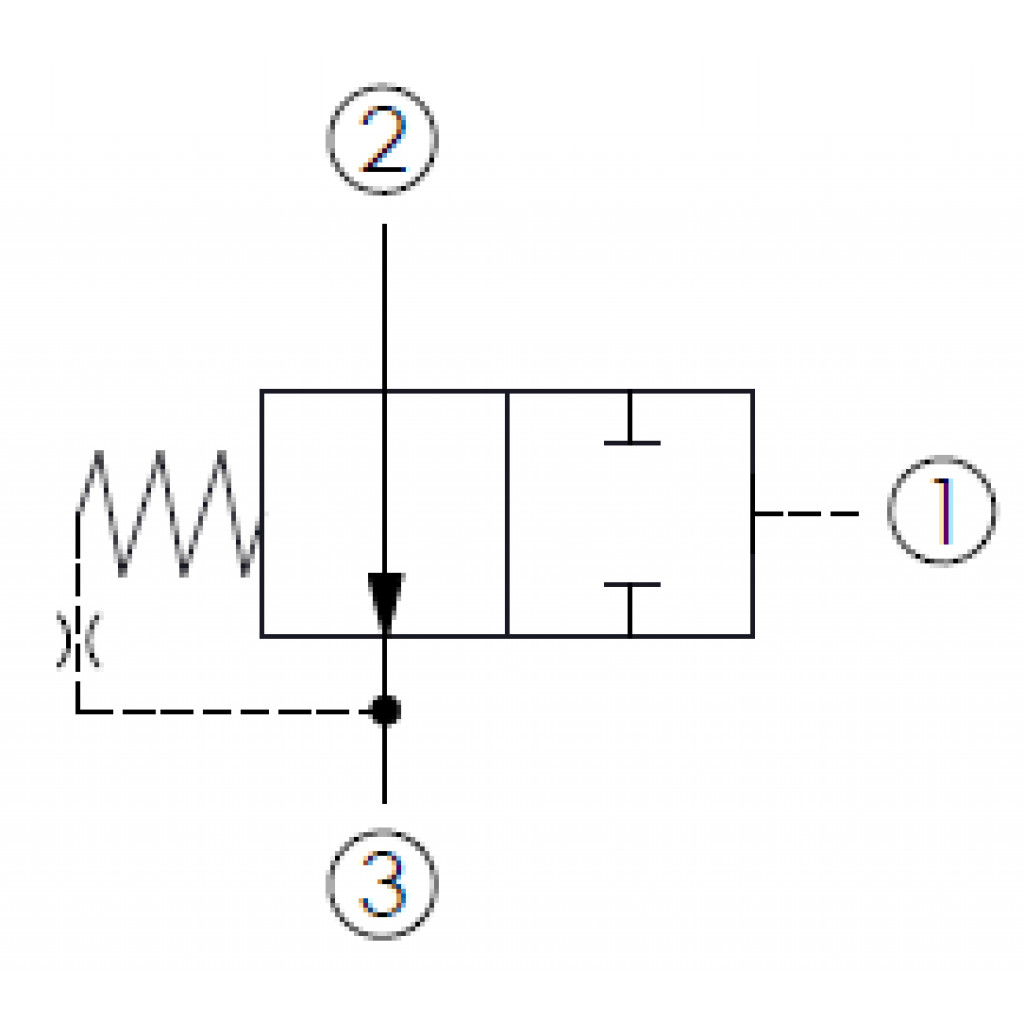
This is a direct-acting, spool-type, 2-way 2-position, normally open directional valve with flow control and restrictive type pressure compensator functions. The spool adjusts its restriction based on the pressure difference to ensure a consistent flow rate through the control orifice. This valve allows flow from port 2 to port 3 with a spring-biased spool. The spool will pilot-to-shift when there is sufficient pilot pressure at port 1 to overcome the spring bias and block flow between port 3 and port 2.
- Spool valves will have normal leakage due to spool clearance.
- Working parts are heat-treated and high-precision ground to increase hardness for long life.
- The pressure at port 1 must be higher than the pressure at port 3 plus the spring pressure when using port 3 to port 2. Alternatively, select DD-10W-33-Y-N.
- The back pressure at port 3 will increase the pilot pressure at port 1 in a 1:1 ratio, in addition to the pressure from the bias spring.
- A variety of seal kit materials for different applications, see seals information under Technical Reference.
- Winner's cartridges pressure rating tested to the standard of the NFPA specification T2.6.1 and the fatigue rating's assurance and verification level is “90/90”.
- WINNERcoat® Zinc-Nickel Plating is salt spray tested in accordance with DIN EN ISO 9227 for up to 1000 hours.
- Winner guarantees that all products performance a 100% functional test before shipment.

This is a direct-acting, spool-type, 2-way 2-position, normally open directional valve with flow control and restrictive type pressure compensator functions. The spool adjusts its restriction based on the pressure difference to ensure a consistent flow rate through the control orifice. This valve allows flow from port 2 to
mer