- Hjem
- Ventiler
- HUS / Blokk
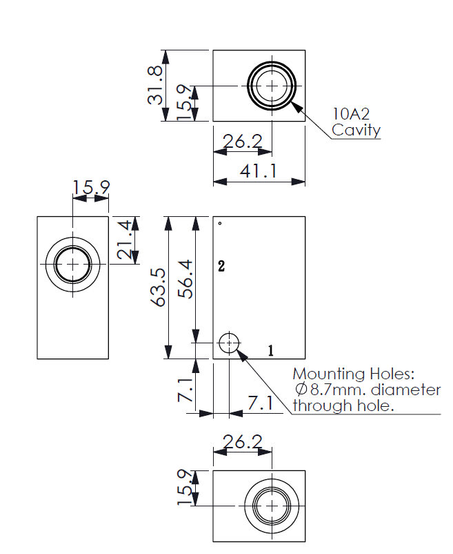
- ML-10A2-G03-A01 Ventilhus enkelt alum. T-10A2 3x3/8 BSP
Lager: 1 stk
Varenummer:WC1159
Kategorier: HUS / Blokk
Cavity: Refer to 10A2
Material: High-Strength Aluminum
Pressure rating: 210bar

| Liter pr minutt |